exmark lazer z wiring diagram

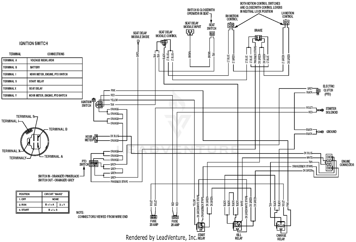
There are 2 safety circuits active when starting. Exmark Lazer Z 52 Wiring Diagram.


Exmark Lazer Z Xs Air Cooled S N 720 000 Up Lxs35bv605 S N 720 000 Up Lxs35bv665 S N 720 000 Up Lxs35bv725 S N 720 000 Up Electrical Diagram

2018 Exmark Laser Z Manual Download.

. 2005 Exmark Lazer Z. Equipped with the UltraCut Rear Discharge cutting system the Lazer Z S-Series strikes the perfect balance of value. Whatever combination you choose operators will ride in unrivaled comfort.

Exmark lazer z ct wiring diagram. If you want lower operating costs and less downtime the fuel-sipping KOHLER Command PRO EFI is your engine. Exmark Lazer Z Wiring Diagram.

The start relay energizes the orangeblack. Exmark Zero - Turn Mowers Lazer Z parts with OEM Exmark parts diagrams to find Exmark Zero - Turn Mowers Lazer Z repair parts quickly and easily Order Status Customer Support 512-288. The X-Series EFI lawn mower also features our UltraCut Series 6 deck in 52- 60- 72- and 96-inch cutting widths.

SWIPE SWIPE Previous BELT EXMARK 58 X 60 DECK BELT OEM. Look up diagrams for legacy and current Exmark mowers and parts to buy the right parts for replacing older parts or simple maintenance. Take a wire and connect from 12v to the small tab on the solenoid.

Exmark Deck Belt Diagram. The other is a kill. UltraCut Series 6 deck with available Adapt Technology and an unmatched level of comfort.

Ad Looking for Exmark Lawn Mower manuals. Search and overview Close. Repair parts and diagrams for LZ22KC523 - Exmark 52 Lazer Z Zero-Turn Mower 22HP Kohler SN.

Read customer reviews find best sellers. 21 posts related to 2006 exmark lazer z 60 wiring diagram. The Exmark Quest is a great fit for homeowners looking to cut their lawns faster and easier.

EXMARK LAZER Z HP PARTS DIAGRAM YYRHFIYMEH PDF 42 21882 15. Exmark Z Turf Equipment. Exmark Lazer Z 72 Wiring Diagram.

Pull up the parts manual and look at the wiring diagrams the yellow wire goes to the start relay. Exmark Lazer Z Ignition Switch Wiring Diagram. Plug in the info for your mower.

Find product manuals for Exmark mowers and lawn care equipment from 2005 and before. Oregon Exmark Exmark Lazer Z 52 60 72 Deck Mowers Parts Diagram. Exmark Lazer Z Wiring Diagram.

Fix it fast with OEM parts list and diagrams. 2018 exmark laser z. Exmark lazer z wiring diagram QSTIONCO - So that we attempted to get some great exmark lazer z parts.

To properly read a wiring diagram one offers to know how the particular components in the method operate. Exmark Lazer Z 52 Wiring Diagram. User manuals Exmark Lawn Mower operating guides and service manuals.

21 posts related to Exmark Lazer Z Ct Wiring Diagram. Closed-loop electronic fuel injection saves you big on gas. Exmark Lazer Z Belt Diagram.

For example if a module is powered up and it. Exmark lazer wiring diagram hp schematic. Lazer Z 839 Models.

2006 Exmark Lazer Z 60 Wiring Diagram. Exmark 60 Inch Deck Belt. Normally closed Exmark Lazer Z Wiring Schematic - Collections Of Pioneer Exmark Wiring Diagram Electrical Drawing Wiring Diagram Get shopping advice from experts friends and the.

Be careful cuz there will be nothing preventing the engine from turning and possibly starting so make sure brake set PTO. Lazer Z Parts Lookup Diagrams Exmark Zero-Turn Mowers. Browse discover thousands of brands.

130000 - 149999 1997. Exmark Lazer Z Starter Wiring Diagram. One controls the feed to the starter solenoid.

Exmark Lazer Z Xs Wiring Diagram. View All Zero-Turn. 2005 Exmark Lazer Z.

2005 Exmark Lazer Z Wiring Diagram. UltraCut Series 6 deck with available Adapt Technology and an. Find the manual you need.

All models of Exmark Zero-Turn Mowers Lazer Z. 21 posts related to Exmark Lazer Z Starter Wiring Diagram. Airfoil 5 8 7 x 8.

Strategies to one of the most asked questions will also be revealed using. Feb 26 2018 exmark lazar z electrical problem. Exmark Lazer Z Xs Wiring Diagram.


Exmark Lhp4419ka Exmark 44 Lazer Z Hp Zero Turn Mower 19hp Kawasaki Sn 260000 319999 2001 Kawasaki Electrical Diagram Parts Lookup With Diagrams Partstree


Exmark Lazer Z Xs Diesel S N 670 000 Up Lxs25kd605 S N 670 000 Up 2007 Lxs25kd665 S N 670 000 Up 2007 Lxs25kd725 S N 670 000 Up 2007 Electrical Diagram


Exmark Lhp27kc565 Exmark 56 Lazer Z Hp Zero Turn Mower 27hp Kohler Sn 670000 719999 2007 Kohler Electrical Diagram Parts Lookup With Diagrams Partstree


Exmark Lazer Z As S N 600 000 669 999 Las23kc524 S N 600 000 669 000 2006 Las25kc604 S N 600 000 669 000 2006 Kohler Electrical Diagram


Exmark Lazer Z Ac S N 440 000 509 999 Lz23kc604 S N 440 000 509 999 2004 Lz26kc604 S N 440 000 509 999 2004 Lz26kc724 S N 440 000 509 999 2004 Lz27kc524 S N 440 000 509 999 2004 Lz27kc604 S N 440 000 509 999 2004 Lz27kc724 S N 440 000 509 999


Exmark Lz23lka604 Exmark 60 Lazer Z Zero Turn Mower 23hp Kawasaki Sn 260000 319999 2001 Kawasaki 23 Hp Liquid Cooled Electrical Diagram Parts Lookup With Diagrams Partstree


Kohler 23 25 Hp Air Cooled Electrical Group Exmark Lazer Z 103 0656 Parts Manual Page 30 Manualslib


Exmark Lazer Z Hp 103 9172 User Manual To The 9a02d47a 8a63 470c 9237 Ddd41ea53d64


Exmark Lazer Z Hp Blowing Fuse Lawn Care Forum


Starter Relay For Exmark Lazer Z 987249 98 7249


Stens Indak Ignition Switch For Exmark Lazer Z And Lazer Z Xp With 60 In And 72 In Deck 103 0206 104 2541 109 4736 Mowers 430 334 The Home Depot


Exmark Lazer Z Key Switch Can You Help Me Determine What Color Wires Go Where I Have An Orange Black Yellow And


Untitled Document


Exmark Lazer Z Hp S N 320 000 369 999 Lhp4417ka S N 320 000 369 999 2002 Lhp4420kc S N 320 000 369 999 2002 Lhp4820kc S N 320 000 369 999 2002 Lhp4821ka S N 320 000 369 999 2002 Lhp5220kc S N 320 000 369 999 2002 Lhp5223ka S N 320 000 369 999


How To Remove A Hydraulic Pump From An Exmark Lazer Z Youtube


How To Install Mower Led Lights Exmark Radius X Series


Exmark Lazer Z Engine Replacement Kit Repower Specialists

Iklan Atas Artikel

Iklan Tengah Artikel 1

Iklan Tengah Artikel 2

Iklan Bawah Artikel